Selezione valvole di regolazione e perdite di carico

Normativa Termotecnica, Impianti di riscaldamento, Legge 10/91, DLgs 192/05, ecc.

Moderatore: Edilclima

Rispondi
Tom Bishop
Messaggi: 6229
Iscritto il: mar dic 30, 2008 17:13

Selezione valvole di regolazione e perdite di carico

Messaggio da Tom Bishop »

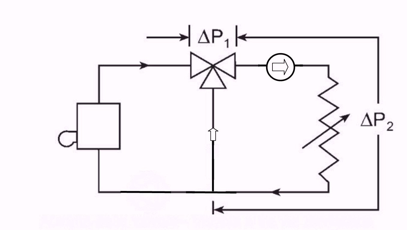
Sto selezionando delle valvole di regolazione a 3 vie a servizio di scambiatori che presentano una elevata perdita di carico e sto facendo delle riflessioni circa la perdita di carico totale del sistema.

Partendo dal concetto che la valvola di regolazione deve avere una autorità di 0.5 seleziono la valvola con una perdita di carico pari a quella del tratto di circuito a portata variabile.

Immagine


Il mio tratto a portata variabile a portata massima ha un dP di 100kPa. Scelgo la valvola con stessa perdita di carico.

La domanda, forse banale, per la selezione della pompa è considero la somma delle due perdite di carico? dP1+dP2+ resto del circuito? Secondo me si, ma chi mi sta controllando il progetto mi ha sollevato delle perplessità...
Tom Bishop
mat
Messaggi: 3288
Iscritto il: lun gen 26, 2009 17:07

Re: Selezione valvole di regolazione e perdite di carico

Messaggio da mat »

Una bella domanda,
sui cui ai tempi mi scontrai anch'io. Risposta che mi diedi dopo vari confronti con i produttori delle valvole: sì, perchè il Kv dichiarato è quello a valvola tutta aperta, e d'altronde il fatto di dare autorità almeno 0,5 serve proprio perché il tratto di circuito che la valvola regola abbia variazioni di perdita che incidano per la metà o meno sulla prevalenza totale, in modo da regolare bene.
Abser
Messaggi: 483
Iscritto il: mar mag 27, 2008 12:02

Re: Selezione valvole di regolazione e perdite di carico

Messaggio da Abser »

il KV dichiarato è quello della via diretta regolata a valvola aperta per cui se lo scegli in modo che dia una perdita di carico pari a quella dello scambiatore per calcolare la pompa devi sommare le 2 perdite di carico + quella dei tubi. Verifica anche il KV della via ad angolo di bypass della valvola; potrebbe essere che il KV della via a angolo sia di una grandezza inferiore a quello della via regolata e in questo modo a valvola tutta in by-pass la portata del circuito non aumentava di molto, se il KV è costante sia sulla via regolata che sulla via di by-pass per mantenere sul circuito del generatore una portata circa costante dovresti inserire una valvola di strozzatura sul by-pass che abbia la stessa perdita di carico dello scambiatore. Se diversamente hai una pompa modulante regola a pressione costante meglio evitare la valvola di strozzatura sul by-pass. Ti consiglio di installare la valvola di regolazione sul ritorno facendola funzionare da miscelatrice invece che da deviatrice.
Esa
Messaggi: 4776
Iscritto il: sab dic 03, 2011 22:53

Re: Selezione valvole di regolazione e perdite di carico

Messaggio da Esa »

Questo schema non funzionerebbe?
Allegati
Regolazione.jpg
Regolazione.jpg (53.77 KiB) Visto 7109 volte
mat
Messaggi: 3288
Iscritto il: lun gen 26, 2009 17:07

Re: Selezione valvole di regolazione e perdite di carico

Messaggio da mat »

Eh bravo Esa... così hai portata variabile sul generatore, e va in blocco ogni due per tre :roll:
Per far funzionare la valvola da miscelatrice come suggerisce Abser (anch'io seguo questa prassi anche se mi par di aver sentito dire che le tre vie di nuova concezione non hanno più quel problema) è sufficiente spostarla dal nodo in alto a quello in basso, e la pompa resta nel posto giusto.
Avatar utente
NoNickName
Messaggi: 10380
Iscritto il: gio giu 17, 2010 12:17

Re: Selezione valvole di regolazione e perdite di carico

Messaggio da NoNickName »

Abser ha scritto: mer set 19, 2018 14:25 il KV dichiarato è quello della via diretta regolata a valvola aperta per cui se lo scegli in modo che dia una perdita di carico pari a quella dello scambiatore per calcolare la pompa devi sommare le 2 perdite di carico + quella dei tubi. Verifica anche il KV della via ad angolo di bypass della valvola; potrebbe essere che il KV della via a angolo sia di una grandezza inferiore a quello della via regolata e in questo modo a valvola tutta in by-pass la portata del circuito non aumentava di molto, se il KV è costante sia sulla via regolata che sulla via di by-pass per mantenere sul circuito del generatore una portata circa costante dovresti inserire una valvola di strozzatura sul by-pass che abbia la stessa perdita di carico dello scambiatore. Se diversamente hai una pompa modulante regola a pressione costante meglio evitare la valvola di strozzatura sul by-pass. Ti consiglio di installare la valvola di regolazione sul ritorno facendola funzionare da miscelatrice invece che da deviatrice.
Condivido ogni parola
Il diritto pubblico fondato sulla uguaglianza [...]non riconosce la disuguaglianza di valore, di merito, di esperienza, cioè la fatica individuale: culminerà nel trionfo della feccia e dell'appiattimento.”
Henri Fréderic Amiel, 12 giugno 1871
Tom Bishop
Messaggi: 6229
Iscritto il: mar dic 30, 2008 17:13

Re: Selezione valvole di regolazione e perdite di carico

Messaggio da Tom Bishop »

Abser ha scritto: mer set 19, 2018 14:25 Ti consiglio di installare la valvola di regolazione sul ritorno facendola funzionare da miscelatrice invece che da deviatrice.
Questo consiglio mi era già stato dato. Ma che vantaggi concreti porta? Funziona meglio per quale motivo?
Tom Bishop
Esa
Messaggi: 4776
Iscritto il: sab dic 03, 2011 22:53

Re: Selezione valvole di regolazione e perdite di carico

Messaggio da Esa »

Certamente potrebbe essere necessario un compensatore idraulico o altri accorgimenti analoghi.
Ma con le caldaie, il problema è così grave? So che con gli evaporatori occorre fare molta attenzione, ma non pensavo fosse lo stesso con i generatori di calore (a differenza dei frigoriferi).
La proposta era finalizzata a garantire una uniformità di temperatura sulla batteria. Mantenendo la portata elevata, si evita il pericolo di avere un'eccessivo dT tra ingresso ed uscita (a causa della bassa portata d'acqua), con conseguente mancanza di uniformità dell'aria in uscita.
Si evita anche il pericolo del gelo in prossimità dell'angolo di uscita dell'acqua.
Certo se lo scambiatore non è una batteria, ma un fascio tubiero o uno scambiatore a piastre, il discorso cambia.
mat
Messaggi: 3288
Iscritto il: lun gen 26, 2009 17:07

Re: Selezione valvole di regolazione e perdite di carico

Messaggio da mat »

Tom Bishop ha scritto: sab set 22, 2018 06:40 Ma che vantaggi concreti porta? Funziona meglio per quale motivo?
Per via di come sono costruite le sezioni di passaggio delle 3 vie: in funzionamento da deviatrice il flusso dell'acqua compie un percorso tale che nelle fasi di chiusura dell'otturatore possono crearsi vibrazioni e una contropressione tale da disturbare il movimento del suddetto otturatore. Ripeto, io avevo sentito dire (ma è passato un po' di tempo e posso ricordare male, nel caso smentitemi) che le valvole di nuova generazione non presentano più tale problema avendo sezioni di passaggio studiate ad hoc.
Esa ha scritto: sab set 22, 2018 11:12 Certamente potrebbe essere necessario un compensatore idraulico o altri accorgimenti analoghi.
Un compensatore idraulico, e quindi un'altra pompa di circolazione... :? Ma perchè complicare e rendere energeticamente inefficiente un circuito che può essere semplicissimo?
Esa ha scritto: sab set 22, 2018 11:12 La proposta era finalizzata a garantire una uniformità di temperatura sulla batteria. Mantenendo la portata elevata, si evita il pericolo di avere un'eccessivo dT tra ingresso ed uscita (a causa della bassa portata d'acqua), con conseguente mancanza di uniformità dell'aria in uscita.
Non credo si tratti di una batteria uta nel caso di specie, ma anche se fosse, mai sentito parlare del problema di disuniformità di temperatura: difatti, mai visto uno schema diverso da quello proposto (con posizione miscelatrice preferenzialmente) per la regolazione a bordo uta...
Avatar utente
NoNickName
Messaggi: 10380
Iscritto il: gio giu 17, 2010 12:17

Re: Selezione valvole di regolazione e perdite di carico

Messaggio da NoNickName »

mat ha scritto: sab set 22, 2018 11:50 ripeto, io avevo sentito dire (ma è passato un po' di tempo e posso ricordare male, nel caso smentitemi) che le valvole di nuova generazione non presentano più tale problema avendo sezioni di passaggio studiate ad hoc.
Se stai parlando delle equipercentuali, hanno perdite di carico indipendenti dall'apertura quindi la portata, deviata o miscelata, è esattamente proporzionale all'angolo di apertura (e quindi il kv complessivo è costante)
Esa ha scritto: sab set 22, 2018 11:12 Certamente potrebbe essere necessario un compensatore idraulico o altri accorgimenti analoghi.
Dio mio, no...
Il diritto pubblico fondato sulla uguaglianza [...]non riconosce la disuguaglianza di valore, di merito, di esperienza, cioè la fatica individuale: culminerà nel trionfo della feccia e dell'appiattimento.”
Henri Fréderic Amiel, 12 giugno 1871
Esa
Messaggi: 4776
Iscritto il: sab dic 03, 2011 22:53

Re: Selezione valvole di regolazione e perdite di carico

Messaggio da Esa »

Mat: credo basti vedere su internet "schemi regolazione batteria uta".
NoNickName: anch'io sono contrario ai compensatori nei gruppi frigo/PdC, ma nei generatori a combustione non vedo il problema.
Allegati
Regolazione 1.jpg
Regolazione 1.jpg (50 KiB) Visto 7011 volte
mat
Messaggi: 3288
Iscritto il: lun gen 26, 2009 17:07

Re: Selezione valvole di regolazione e perdite di carico

Messaggio da mat »

NoNickName ha scritto: sab set 22, 2018 12:17 Se stai parlando delle equipercentuali, hanno perdite di carico indipendenti dall'apertura quindi la portata, deviata o miscelata, è esattamente proporzionale all'angolo di apertura (e quindi il kv complessivo è costante)
No no, mi riferivo alle differenze di comportamento nel flusso dell'acqua secondo che certe vie siano utilizzate come ingresso o come uscita.
Esa ha scritto: sab set 22, 2018 12:29 Mat: credo basti vedere su internet "schemi regolazione batteria uta".
Per curiosità l'ho fatto, e la prima dozzina di immagini riporta lo schema che dico io. Quello che hai postato tu titola "schemi applicativi per valvole 3 vie miscelatrici"... bisogna mettersi d'accordo sull'argomento della ricerca :wink:
Ronin
Messaggi: 7175
Iscritto il: sab giu 20, 2009 12:57

Re: Selezione valvole di regolazione e perdite di carico

Messaggio da Ronin »

Esa ha scritto: sab set 22, 2018 11:12Ma con le caldaie, il problema è così grave?
con le caldaie il problema è più grave che con le pompe di calore, la portata minima di molti generatori di calore (salvo che parliamo di generatori modulari) è molto superiore al campo delle portate a portata variabile. gli schemi a tre vie mostrati sono relativi a circuiti primario-secondario (infatti mostrano solo i terminali) e peraltro sono anche superati (tre vie sul terminale, nel 21mo secolo?).
il problema dell'uniformità della temperatura non c'è nel circuito mostrato perchè la portata sul ramo terminale è sempre inferiore a quella sul generatore (altrimenti non servirebbe il bypass), quindi al limite basta tenere più chiuso il ramo deviato.
il compensatore non causa problemi (supponendo che la portata sul primario sia maggiore, appunto), ma semplicemente costringe come dice mat ad aggiungere una seconda pompa (oltre a se stesso), causando sovracosti inutili.
Tom Bishop ha scritto: sab set 22, 2018 06:40 Questo consiglio mi era già stato dato. Ma che vantaggi concreti porta? Funziona meglio per quale motivo?
nello schema che hai riportato, nessuno, il circuito che hai disegnato è essenziale e perfettamente funzionante.
il problema è che circuiti così nella realtà pratica non ce ne sono molti. supponi infatti di avere non uno ma due o più terminali da alimentare: questi terminali andranno collegati in parallelo al primo, e in tale condizione ti troverai con un dP1 in crescita col quadrato della portata degli N terminali che si sommano sulla mandata: la valvola a tre vie deviatrice non riuscirà più a regolare (con un dp1 calcolato a portata massima avrà una banda passante molto stretta che causerà pendolazioni e colpi d'ariete, con un dP1 inferiore avrà poca autorità).
con più terminali, occorre seguire il consiglio e porre la valvola tre vie miscelatrice sul ritorno: il dP1 non sara più in serie ma sarà quello del tratto di bypass (finalizzato a mantenere la portata minima sul generatore di calore), e andrà bene qualunque sia il numero di terminali del circuito, anche se ne venissero aggiunti in futuro, perchè tutti i rami in parallelo avranno più o meno la stessa perdita di carico (ovviamente dotando i terminali di valvole a due vie per mantenere costanti i dP2-dPN).
al crescere di N la differenza di dP tra i terminali più vicini e più lontani non si potrà compensare con le due vie e quindi imporrà di passare a un circuito con collettori e più spillamenti (o con scambiatori e secondari, come già discusso).
Tom Bishop
Messaggi: 6229
Iscritto il: mar dic 30, 2008 17:13

Re: Selezione valvole di regolazione e perdite di carico

Messaggio da Tom Bishop »

Al proposito ho trovato un interessante post che condivido

https://www.tempco.it/blog/2665/valvole ... eviatrici/
Tom Bishop
mat
Messaggi: 3288
Iscritto il: lun gen 26, 2009 17:07

Re: Selezione valvole di regolazione e perdite di carico

Messaggio da mat »

Tom Bishop ha scritto: lun set 24, 2018 07:37 Al proposito ho trovato un interessante post che condivido
E' per l'appunto quello che ho cercato di spiegare, a quanto pare con scarso successo :roll:
SimoneBaldini
Messaggi: 2507
Iscritto il: mer set 29, 2010 13:42

Re: Selezione valvole di regolazione e perdite di carico

Messaggio da SimoneBaldini »

Dipende che scambiatore hai sul secondario, cioè non a tutti puoi ridurre la portata perchè vai a perdere il moto turbolento e quindi lo scambio. Per ovviare al problema della pompa sul secondario ed eventuale blocco caldaia basta metterci la pompa "anticondensa" sul primario.
Rispondi