Rappresentazione Interruttori uscita inverter

Obblighi legislativi, tipologie, prodotti

Moderatore: Edilclima

Rispondi
Fotone
Messaggi: 32
Iscritto il: gio mar 09, 2017 12:23

Rappresentazione Interruttori uscita inverter

Messaggio da Fotone »

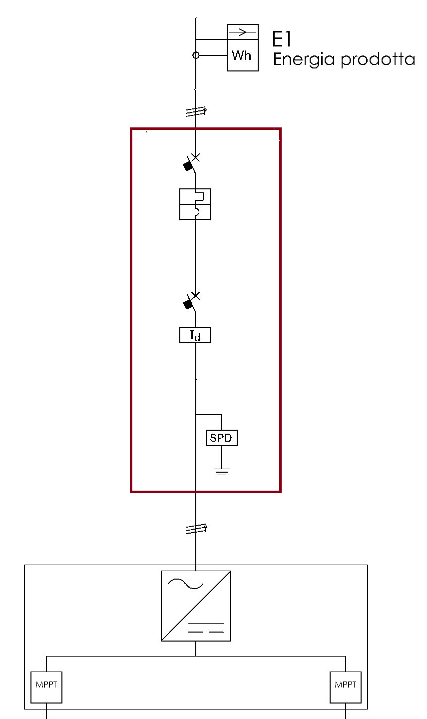
Buona sera, ho un dubbio sulla rappresentazione degli interruttori montati all'uscita dell'inverter lato AC. Se invece del classico MTD sono stati montati un semplice differenziale e un magnetotermico (assolvono quindi alla funzione del singolo MTD) è corretta la loro rappresentazione sullo schema unifilare che preparato?
Allegati
SCHEMA LATO CA.png
SCHEMA LATO CA.png (45.72 KiB) Visto 6688 volte
Ronin
Messaggi: 7160
Iscritto il: sab giu 20, 2009 12:57

Re: Rappresentazione Interruttori uscita inverter

Messaggio da Ronin »

direi di sì (anche se in teoria è disegnato "a rovescio", i relè andrebbero a valle dell'interruttore, non a monte, di solito infatti lo schema con quei blocchi si disegna con flusso dell'energia dall'alto in basso)
Fotone
Messaggi: 32
Iscritto il: gio mar 09, 2017 12:23

Re: Rappresentazione Interruttori uscita inverter

Messaggio da Fotone »

Ronin ha scritto: mer mar 11, 2026 12:28 direi di sì (anche se in teoria è disegnato "a rovescio", i relè andrebbero a valle dell'interruttore, non a monte, di solito infatti lo schema con quei blocchi si disegna con flusso dell'energia dall'alto in basso)
Se per relè intendi lo scaricatore di sovratensione SPD, ho corretto la sua posizione. Allego versione modificata, ci siamo adesso?
Allegati
Senza titolo.png
Senza titolo.png (44.63 KiB) Visto 6000 volte
Ronin
Messaggi: 7160
Iscritto il: sab giu 20, 2009 12:57

Re: Rappresentazione Interruttori uscita inverter

Messaggio da Ronin »

no, intendo i comandi che controllano l'intervento degli interruttori, rappresentati dai rettangoli sotto gli interruttori: quello con scritto Id è lo sganciatore differenziale, gli altri due sono lo sganciatore magnetico e quello termico: questi in teoria andrebbero rappresentati sotto gli interruttori (come sono disegnati) se la corrente fluisse dall'alto verso il basso (come normalmente sono disegnati gli schemi), perchè nella realtà misurano la corrente a valle dell'interruttore (cioè della parte di componente che apre il circuito).
invece la corrente nel tuo disegno fluisce dal basso verso l'alto (dall'inverter verso il contatore) e quindi il simbolo degli interruttori andrebbe disegnato "a testa in giù" (ruotato di 180°).
peccato veniale
Rispondi