Buongiorno a tutti.
Devo dimensionare una PDC o chiller per un macchinario raffreddato a liquido e non so da dove iniziare.
Prima del macchinario c'è uno scambiatore liquido/liquido ed io devo fornire a questo scambiatore una portata di 12 l/min a 10°C per dissipare circa 15 kW termici.
La temperatura dell'acquedotto per casi per produzione acqua calda sanitaria ,albergo ad esempio, io l'ho sempre considerata in un range tra 10 °C e 15 °C, in questo caso la considero la considero a 15°C.
Da qui in poi non so cosa fare. Ho cercato online ma non ho trovato nulla, sempre solo casi di produzione acs per strutture ricettive, uffici, ecc....
Qualcuno mi può dare un aiuto?
Grazie
Dimensionamento PDC per acqua a 20 gradi
Moderatore: Edilclima
Dimensionamento PDC per acqua a 20 gradi
Ultima modifica di smilev il mer ott 09, 2024 15:31, modificato 1 volta in totale.
Re: Dimensionamento PDC per acqua a 20 gradi
non mi è chiara la domanda. Ti serve un gruppetto frigorifero da 15 kW condensato ad acqua...guardi le tabelle di resa in funzione delle temperature e...fine.
Non mi torna la portata allo scambiatore, normalmente si ragione con delta T 5°C per cui 15 kW richiedono 43 l/min
Non mi torna la portata allo scambiatore, normalmente si ragione con delta T 5°C per cui 15 kW richiedono 43 l/min
redigere redigere redigere
Re: Dimensionamento PDC per acqua a 20 gradi
Si hai ragione, perchè la temperatura dell'acqua dell'acquedotto non centra nulla, sono entrambi circuiti chiusi.
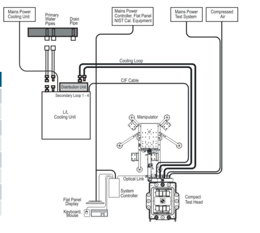
Ho un macchinario per testare circuiti elettronici
Da scheda tecnica il macchinario per testare questi circuiti elettronici è collegato uno scambiatore liquido/liquido.
Al cooling unit L/L devo fornire acqua a 10°C con una portata di circa 12 l/min, che sono sufficienti per smaltire 15 kWt prodotti dal compact test head.
Secondo me i dati non sono sufficienti. Mi serve la temperatura dell'acqua di ritorno dal Cooling Unit.
Ho un macchinario per testare circuiti elettronici
Da scheda tecnica il macchinario per testare questi circuiti elettronici è collegato uno scambiatore liquido/liquido.
Al cooling unit L/L devo fornire acqua a 10°C con una portata di circa 12 l/min, che sono sufficienti per smaltire 15 kWt prodotti dal compact test head.
Secondo me i dati non sono sufficienti. Mi serve la temperatura dell'acqua di ritorno dal Cooling Unit.
- Allegati
-
- xxxxx.PNG (203.75 KiB) Visto 1201 volte
Ultima modifica di smilev il mer ott 09, 2024 15:30, modificato 2 volte in totale.
- NoNickName
- Messaggi: 10376
- Iscritto il: gio giu 17, 2010 12:17
Re: Dimensionamento PDC per acqua a 20 gradi
Ma cosa devi dimensionare? Vai da un produttore di chiller e gli dici 15-18kW, mandata a 5°C, portata 12 l/min. Fine. Ti arriva l'offerta.
Il diritto pubblico fondato sulla uguaglianza [...]non riconosce la disuguaglianza di valore, di merito, di esperienza, cioè la fatica individuale: culminerà nel trionfo della feccia e dell'appiattimento.”
Henri Fréderic Amiel, 12 giugno 1871
Henri Fréderic Amiel, 12 giugno 1871
Re: Dimensionamento PDC per acqua a 20 gradi
Grazie mille, più semplice del previsto.NoNickName ha scritto: mer ott 09, 2024 12:23 Ma cosa devi dimensionare? Vai da un produttore di chiller e gli dici 15-18kW, mandata a 5°C, portata 12 l/min. Fine. Ti arriva l'offerta.