Problema produzione acs con caldaia a condensazione + accumulo
Moderatore: Edilclima
Problema produzione acs con caldaia a condensazione + accumulo
Buonasera a tutti.
Mi chiamo Luca e vivo in provincia di Milano.
Non sono un termotecnico né un addetto ai lavori.
So che in questo forum scrivono per lo più tecnici ed esperti del settore per scambiarsi esperienze e consigli e che "i forestieri" in cerca di consigli "aggratis" sono un po' malvisti.
Io, tuttavia, non sono qui per chiedere consigli ma bensì per imparare qualcosa di nuovo partendo da una mia esperienza che, al momento, appare negativa.
Vado a spiegare:
ho da poco ristrutturato casa; si tratta di un'abitazione singola; prima della ristrutturazione avevo una "bellissima" caldaia tradizionale da 29 KW con produzione istantanea di acs che mi erogava acqua calda sanitaria bollente in quantità industriali (uno dei pochi piaceri della vita che ho sono infatti docce lunghe e bollenti.....per lunghe intendo anche di un'ora).
Ma veniamo al dunque: faccio questa ristrutturazione (che prevede anche il cambio della caldaia) e mi dicono che per legge devo montare i pannelli solari. Ok va bene. Inoltre mi dicono che occorre un accumulo per interfacciare pannelli con caldaia e che sarebbe opportuno che la caldaia fosse a condensazione.
Io dico: va bene tutto.....purché questa nuova caldaia mi produca, a richiesta, un oceano di acqua bollente.
Ebbene: mi montano una Baxi 32 Power 220 Solar.
Bella eh....per carità.....bella!
Il problema è che, terminata l'acqua dell'accumulo (che ho dovuto settare a 55 gradi per avere un minimo di comfort in quanto a temperature inferiori scende appena poco più che tiepida.....io la metterei anche a 60, ma il tecnico Baxi me lo sconsiglia perché l'eccessivo riscaldamento dello scambiatore primario necessario a portare in temperatura il bollitore alla lunga danneggerebbe la caldaia. Mah!!!! A parte il fatto che ero convinto che lo scambiatore primario servisse per il riscaldamento dei caloriferi mentre fosse lo scambiatore secondario quello dedicato alla acs.. ma sicuramente sono ignorante io. Ad ogni modo dicevo: terminati i 220 litri dell'accumulo a 55 gradi (che in doccia arriveranno si e no a 40 gradi) nel giro di una quindicina di minuti, ecco che poi iniziano i problemi....nel senso che l'acqua inizia a scendere appena tiepida (non fredda.....ma talmente tiepida da dare cmq fastidio); ho però notato che dopo circa 3 o 4 minuti a questa temperatura....ecco che inizia a scaldarsi nuovamente.....non ai livelli precedenti, ma cmq una temperatura accettabile.
Ora le domande che mi pongo perché vorrei davvero comprendere il funzionamento delle caldaia a condensazione con accumulo sono le seguenti:
1) è normale questo particolare funzionamento o è quella che hanno installato a me che malfunziona?
2) apparentemente sembra che questa caldaia non abbia il re-integro progressivo della acs man mano consumata; ora io non so come funzionano queste macchine, ma mi attenderei.....chessò....che quando l'accumulo arriva al 30% della sua capienza la caldaia cominci a produrre acs per reintegrare quella già consumata....in modo che continui a scendere calda con soluzione di continuità. Qui invece sembra che prima consumi tutto l'accumulo e che solo allora inizi a produrre acs istantanea....che però non scende più bella calda....ma solo poco più che tiepida.
3) quindi, se così fosse, perché questo lasso di tempo di 3/4 minuti per ritornare a produrre acs a una temperatura appena decente? È una cosa normale di tutte le caldaie a condensazione? E perché quando in modalità acs istantanea non riesce a produrre acs bollente? È forse un problema di scambiatore? Cioè voglio dire.....è una 32 KW....potenza ne ha da vendere.....
Ovviamente ho già chiamato 2 volte il CAT: per loro non ci sono problemi; la caldaia funziona bene; semplicemente non è la caldaia che fà per me non essendo fatta per fare quello che io vorrei che facesse. Cioè per loro, relativamente a quello che io chiedo, la caldaia presenta degli evidenti limiti.
Non contento ho chiamato direttamente il servizio clienti BAXI chiedendo di essere messo in contatto con un loro tecnico il quale mi ha detto che non è normale che la caldaia non lavori per come richiestole e consigliava di far fare al CAT una serie di prove per verificare l'effettiva funzionalità di non so quali sonde....
Ah....ultima cosa: la caldaia è provvista di sonda ambiente esterna e mi son chiesto: ma non è che in fase di installazione magari hanno mal programmato la curva climatica????
Boh....sicuramente farò fare nuovamente al CAT le dovute verifiche come consigliato dalla casa madre. Nel frattempo....qualcuno di voi ha pareri in merito?
Grazie per l'attenzione.
Saluti
Luca
Milano
Mi chiamo Luca e vivo in provincia di Milano.
Non sono un termotecnico né un addetto ai lavori.
So che in questo forum scrivono per lo più tecnici ed esperti del settore per scambiarsi esperienze e consigli e che "i forestieri" in cerca di consigli "aggratis" sono un po' malvisti.
Io, tuttavia, non sono qui per chiedere consigli ma bensì per imparare qualcosa di nuovo partendo da una mia esperienza che, al momento, appare negativa.
Vado a spiegare:
ho da poco ristrutturato casa; si tratta di un'abitazione singola; prima della ristrutturazione avevo una "bellissima" caldaia tradizionale da 29 KW con produzione istantanea di acs che mi erogava acqua calda sanitaria bollente in quantità industriali (uno dei pochi piaceri della vita che ho sono infatti docce lunghe e bollenti.....per lunghe intendo anche di un'ora).
Ma veniamo al dunque: faccio questa ristrutturazione (che prevede anche il cambio della caldaia) e mi dicono che per legge devo montare i pannelli solari. Ok va bene. Inoltre mi dicono che occorre un accumulo per interfacciare pannelli con caldaia e che sarebbe opportuno che la caldaia fosse a condensazione.
Io dico: va bene tutto.....purché questa nuova caldaia mi produca, a richiesta, un oceano di acqua bollente.
Ebbene: mi montano una Baxi 32 Power 220 Solar.
Bella eh....per carità.....bella!
Il problema è che, terminata l'acqua dell'accumulo (che ho dovuto settare a 55 gradi per avere un minimo di comfort in quanto a temperature inferiori scende appena poco più che tiepida.....io la metterei anche a 60, ma il tecnico Baxi me lo sconsiglia perché l'eccessivo riscaldamento dello scambiatore primario necessario a portare in temperatura il bollitore alla lunga danneggerebbe la caldaia. Mah!!!! A parte il fatto che ero convinto che lo scambiatore primario servisse per il riscaldamento dei caloriferi mentre fosse lo scambiatore secondario quello dedicato alla acs.. ma sicuramente sono ignorante io. Ad ogni modo dicevo: terminati i 220 litri dell'accumulo a 55 gradi (che in doccia arriveranno si e no a 40 gradi) nel giro di una quindicina di minuti, ecco che poi iniziano i problemi....nel senso che l'acqua inizia a scendere appena tiepida (non fredda.....ma talmente tiepida da dare cmq fastidio); ho però notato che dopo circa 3 o 4 minuti a questa temperatura....ecco che inizia a scaldarsi nuovamente.....non ai livelli precedenti, ma cmq una temperatura accettabile.
Ora le domande che mi pongo perché vorrei davvero comprendere il funzionamento delle caldaia a condensazione con accumulo sono le seguenti:
1) è normale questo particolare funzionamento o è quella che hanno installato a me che malfunziona?
2) apparentemente sembra che questa caldaia non abbia il re-integro progressivo della acs man mano consumata; ora io non so come funzionano queste macchine, ma mi attenderei.....chessò....che quando l'accumulo arriva al 30% della sua capienza la caldaia cominci a produrre acs per reintegrare quella già consumata....in modo che continui a scendere calda con soluzione di continuità. Qui invece sembra che prima consumi tutto l'accumulo e che solo allora inizi a produrre acs istantanea....che però non scende più bella calda....ma solo poco più che tiepida.
3) quindi, se così fosse, perché questo lasso di tempo di 3/4 minuti per ritornare a produrre acs a una temperatura appena decente? È una cosa normale di tutte le caldaie a condensazione? E perché quando in modalità acs istantanea non riesce a produrre acs bollente? È forse un problema di scambiatore? Cioè voglio dire.....è una 32 KW....potenza ne ha da vendere.....
Ovviamente ho già chiamato 2 volte il CAT: per loro non ci sono problemi; la caldaia funziona bene; semplicemente non è la caldaia che fà per me non essendo fatta per fare quello che io vorrei che facesse. Cioè per loro, relativamente a quello che io chiedo, la caldaia presenta degli evidenti limiti.
Non contento ho chiamato direttamente il servizio clienti BAXI chiedendo di essere messo in contatto con un loro tecnico il quale mi ha detto che non è normale che la caldaia non lavori per come richiestole e consigliava di far fare al CAT una serie di prove per verificare l'effettiva funzionalità di non so quali sonde....
Ah....ultima cosa: la caldaia è provvista di sonda ambiente esterna e mi son chiesto: ma non è che in fase di installazione magari hanno mal programmato la curva climatica????
Boh....sicuramente farò fare nuovamente al CAT le dovute verifiche come consigliato dalla casa madre. Nel frattempo....qualcuno di voi ha pareri in merito?
Grazie per l'attenzione.
Saluti
Luca
Milano
Re: Problema produzione acs con caldaia a condensazione + accumulo
Uno dei tanti impianti proposti in base alle esigenze commerciali e non del cliente (sempre rispettando la norma, si intende).
Non conosco i dettagli di funzionamento del sistema Baxi citato, ma credo abbia uno scambiatore che riscalda l'acqua sanitaria di un accumulo. Per le tue esigenze non funzionerà mai.
Visto che hai il solare, è sufficiente che l'acqua sanitaria passi prima dal serbatoio riscaldato dal solare e poi dalla caldaia, in serie.
Ma ci vuole una caldaia combinata, con riscaldamento e produzione di ACS e controllo della temperatura di ingresso acqua sanitaria per modulare la potenza (regolando la fiamma).
Quindi, credo che la soluzione meno dolorosa sia quella di cambiare caldaia. Mi viene in mente ATAG Izone i35 CZ. Ma ce ne sono molte altre: fondamentale è un CAT professionale.
Il mio è solo un parere: credo ne riceverai altri migliori.
Non conosco i dettagli di funzionamento del sistema Baxi citato, ma credo abbia uno scambiatore che riscalda l'acqua sanitaria di un accumulo. Per le tue esigenze non funzionerà mai.
Visto che hai il solare, è sufficiente che l'acqua sanitaria passi prima dal serbatoio riscaldato dal solare e poi dalla caldaia, in serie.
Ma ci vuole una caldaia combinata, con riscaldamento e produzione di ACS e controllo della temperatura di ingresso acqua sanitaria per modulare la potenza (regolando la fiamma).
Quindi, credo che la soluzione meno dolorosa sia quella di cambiare caldaia. Mi viene in mente ATAG Izone i35 CZ. Ma ce ne sono molte altre: fondamentale è un CAT professionale.
Il mio è solo un parere: credo ne riceverai altri migliori.
-
Tom Bishop
- Messaggi: 6229
- Iscritto il: mar dic 30, 2008 17:13
Re: Problema produzione acs con caldaia a condensazione + accumulo
È un problema di regolazione.
Il bollitore lo puoi tenere anche sopra i 60°C senza problemi di sorta almeno che tu non abbia acqua in ingresso eccessivamente dura. In uscita fatti montare un miscelatore termostatico che ti mantenga costante la temperatura ai terminali. Modifica la temperatura di carica del bollitore alzandola a 50°C. La tua caldaia è sicuramente in grado di assicurarti quello che ti aspetti, basta regolarla correttamente in base alle tue esigenze.
Il bollitore lo puoi tenere anche sopra i 60°C senza problemi di sorta almeno che tu non abbia acqua in ingresso eccessivamente dura. In uscita fatti montare un miscelatore termostatico che ti mantenga costante la temperatura ai terminali. Modifica la temperatura di carica del bollitore alzandola a 50°C. La tua caldaia è sicuramente in grado di assicurarti quello che ti aspetti, basta regolarla correttamente in base alle tue esigenze.
Tom Bishop
Re: Problema produzione acs con caldaia a condensazione + accumulo
Ciao Tom.
Perdonami: affermi che posso tranquillamente tenere il bollitore anche sopra i 60 gradi. Poi, più sotto, mi dici che devo caricarlo a 50 gradi. Non capisco. Adesso è regolato a 55 gradi. Il tecnico di Baxi (casa madre, non CAT) si è raccomandato di non oltrepassare i 60 gradi in quanto ciò, in breve tempo, danneggerebbe la caldaia stessa causa eccessiva sollecitazione dello scambiatore primario che, per assicurare 60/65 gradi al bollitore dovrebbe raggiungere ogni volta temperature di funzionamento di 85/90 gradi, avendo un delta termico di funzionamento di 25 gradi.
Detto questo, la caldaia, inoltre, monta già in uscita un miscelatore termostatico regolato al massimo (posizione 5).
La cosa che non capisco è: ok.....io posso anche regolare il bollitore a 60 gradi ma, terminata la acs nell'accumulo, che scenderà bella calda, poi la caldaia non riesce a produrre acs istantanea altrettanto calda. Inoltre non si ha reintegro progressivo dell'accumulo. O hanno sbagliato a installarla/configurarla all'inizio, o c'è qualche altro parametro da configurare in maniera ottimale o, semplicemente, la caldaia ha dei limiti (ma questa ipotesi la voglio escludere dato il costo non irrisorio della macchina: garantire acs ad una temperatura di comfort è il minimo che possa fare).
Il tecnico Baxi mi parlava di verificare il corretto funzionamento delle sonde di temperatura....magari mal configurate o malfunzionanti......
Luca
Perdonami: affermi che posso tranquillamente tenere il bollitore anche sopra i 60 gradi. Poi, più sotto, mi dici che devo caricarlo a 50 gradi. Non capisco. Adesso è regolato a 55 gradi. Il tecnico di Baxi (casa madre, non CAT) si è raccomandato di non oltrepassare i 60 gradi in quanto ciò, in breve tempo, danneggerebbe la caldaia stessa causa eccessiva sollecitazione dello scambiatore primario che, per assicurare 60/65 gradi al bollitore dovrebbe raggiungere ogni volta temperature di funzionamento di 85/90 gradi, avendo un delta termico di funzionamento di 25 gradi.
Detto questo, la caldaia, inoltre, monta già in uscita un miscelatore termostatico regolato al massimo (posizione 5).
La cosa che non capisco è: ok.....io posso anche regolare il bollitore a 60 gradi ma, terminata la acs nell'accumulo, che scenderà bella calda, poi la caldaia non riesce a produrre acs istantanea altrettanto calda. Inoltre non si ha reintegro progressivo dell'accumulo. O hanno sbagliato a installarla/configurarla all'inizio, o c'è qualche altro parametro da configurare in maniera ottimale o, semplicemente, la caldaia ha dei limiti (ma questa ipotesi la voglio escludere dato il costo non irrisorio della macchina: garantire acs ad una temperatura di comfort è il minimo che possa fare).
Il tecnico Baxi mi parlava di verificare il corretto funzionamento delle sonde di temperatura....magari mal configurate o malfunzionanti......
Luca
-
Tom Bishop
- Messaggi: 6229
- Iscritto il: mar dic 30, 2008 17:13
Re: Problema produzione acs con caldaia a condensazione + accumulo
La caldaia inizia a caricare il bollitore quanto la temperatura scende sotto i 50°C e smette al raggiungimento dei 60°C.Aston ha scritto: mer dic 29, 2021 08:40 Ciao Tom.
Perdonami: affermi che posso tranquillamente tenere il bollitore anche sopra i 60 gradi. Poi, più sotto, mi dici che devo caricarlo a 50 gradi. Non capisco.
Luca
Tom Bishop
-
Tom Bishop
- Messaggi: 6229
- Iscritto il: mar dic 30, 2008 17:13
Re: Problema produzione acs con caldaia a condensazione + accumulo
Con bollitore a 60°C e miscelatore in uscita tarato a 48°C disponi di circa 250 litri di acqua calda, il bollitore si vuota in 25 minuti. Poi avrai 12 l/min in continuo.Aston ha scritto: mer dic 29, 2021 08:40
Detto questo, la caldaia, inoltre, monta già in uscita un miscelatore termostatico regolato al massimo (posizione 5).
La cosa che non capisco è: ok.....io posso anche regolare il bollitore a 60 gradi ma, terminata la acs nell'accumulo, che scenderà bella calda, poi la caldaia non riesce a produrre acs istantanea altrettanto calda. Inoltre non si ha reintegro progressivo dell'accumulo. O hanno sbagliato a installarla/configurarla all'inizio, o c'è qualche altro parametro da configurare in maniera ottimale o, semplicemente, la caldaia ha dei limiti (ma questa ipotesi la voglio escludere dato il costo non irrisorio della macchina: garantire acs ad una temperatura di comfort è il minimo che possa fare).
Il tecnico Baxi mi parlava di verificare il corretto funzionamento delle sonde di temperatura....magari mal configurate o malfunzionanti......
Luca
Tom Bishop
Re: Problema produzione acs con caldaia a condensazione + accumulo
se è una caldaia con bollitore normalmente a bollitore freddo non hai sufficiente rapidità di stratificazione per poter pescare acqua calda in continuo, per quella che è la mia esperienza se si scarica conviene chiudere l'acqua un quarto d'ora e farlo salire di quei 10-15°C
redigere redigere redigere
Re: Problema produzione acs con caldaia a condensazione + accumulo
Ciao Esa e grazie per il parere.Esa ha scritto: mer dic 29, 2021 01:19 Non conosco i dettagli di funzionamento del sistema Baxi citato, ma credo abbia uno scambiatore che riscalda l'acqua sanitaria di un accumulo. Per le tue esigenze non funzionerà mai.
Visto che hai il solare, è sufficiente che l'acqua sanitaria passi prima dal serbatoio riscaldato dal solare e poi dalla caldaia, in serie.
Ma ci vuole una caldaia combinata, con riscaldamento e produzione di ACS e controllo della temperatura di ingresso acqua sanitaria per modulare la potenza (regolando la fiamma).
Io credo che il modello Baxi in oggetto abbia tutte le caratteristiche che elenchi. Lo scambiatore riscalda, effettivamente, l'acqua dell'accumulo. Ma la caldaia ha anche la funzione produzione acs istantanea (confermata da Baxi). Secondo la casa madre, al progressivo svuotarsi dell'accumulo la caldaia dovrebbe cominciare a produrre nuova acs in temperatura per andare a reintegrare quella nel frattempo consumata, con soluzione di continuità d'uso per l'utilizzatore. Il problema è che ciò non avviene. Per questo consigliavano di far fare al CAT delle prove per verificare il corretto funzionamento di non so più quali sonde.
Purtroppo, però, a me quelli del CAT (per lo meno....quello di mia competenza che di solito chiamo) mi sembrano un po' inesperti su questo particolare modello di caldaia.....
Re: Problema produzione acs con caldaia a condensazione + accumulo
Ho dato un'occhiata rapida allo schema Baxi.
La caldaia non ha uno scambiatore istantaneo dedicato alla produzione di ACS da erogare istantaneamente.
Ha solo uno scambiatore immerso nel serbatoio dell'ACS nel quale è inserito anche lo scambiatore del solare.
Lo scambiatore è a serpentino e non a piastre, quindi quasi certamente sottodimensionato per il servizio richiesto (ma sufficiente per un uso moderato dell'ACS).
Per me non ce la farai mai, proprio perché lo scambiatore caldaia/serbatoio ha una superficie insufficiente per l'uso che vuoi fare.
Io cambierei la caldaia, lasciando il serbatoio, collegato al circuito solare.
Ecco come vedo il funzionamento.
L'acqua fredda sanitaria arriva al serbatoio e, se il solare funziona, si scalda (di più o di meno, in base al sole) e poi esce dal serbatoio ed entra nello scambiatore istantaneo della caldaia.
Se questa è intelligente (come quella che ti ho indicato, ma ce ne sono tante altre: assicurati di avere un CAT professionale) legge la temperatura in ingresso con una sonda. La temperatura sarà variabile da 10°C circa in inverno a 50°C circa in estate, quindi la regolazione attiverà lo scambiatore istantaneo modulante (lato fiamma).
Non avrai problemi di sorta. Potrai disporre di ACS per 24 ore continue. Se c'è il sole, risparmierai. Altrimenti pagherai il gas, ma avrai il servizio che ti aggrada.
Strano che il termotecnico non te lo abbia detto.
La caldaia non ha uno scambiatore istantaneo dedicato alla produzione di ACS da erogare istantaneamente.
Ha solo uno scambiatore immerso nel serbatoio dell'ACS nel quale è inserito anche lo scambiatore del solare.
Lo scambiatore è a serpentino e non a piastre, quindi quasi certamente sottodimensionato per il servizio richiesto (ma sufficiente per un uso moderato dell'ACS).
Per me non ce la farai mai, proprio perché lo scambiatore caldaia/serbatoio ha una superficie insufficiente per l'uso che vuoi fare.
Io cambierei la caldaia, lasciando il serbatoio, collegato al circuito solare.
Ecco come vedo il funzionamento.
L'acqua fredda sanitaria arriva al serbatoio e, se il solare funziona, si scalda (di più o di meno, in base al sole) e poi esce dal serbatoio ed entra nello scambiatore istantaneo della caldaia.
Se questa è intelligente (come quella che ti ho indicato, ma ce ne sono tante altre: assicurati di avere un CAT professionale) legge la temperatura in ingresso con una sonda. La temperatura sarà variabile da 10°C circa in inverno a 50°C circa in estate, quindi la regolazione attiverà lo scambiatore istantaneo modulante (lato fiamma).
Non avrai problemi di sorta. Potrai disporre di ACS per 24 ore continue. Se c'è il sole, risparmierai. Altrimenti pagherai il gas, ma avrai il servizio che ti aggrada.
Strano che il termotecnico non te lo abbia detto.
-
Stefano LL
- Messaggi: 504
- Iscritto il: ven ago 03, 2007 10:35
Re: Problema produzione acs con caldaia a condensazione + accumulo
ho avuto un problema 4-5 anni fa su un impianto fatto così, in cui l'uscita dell'accumulo era in serie alla caldaia rapida: anche a temperatura soddisfatta la caldaia sentiva dal flussostato di ingresso che doveva "mettersi in condizione di fare ACS", quindi la 3 vie deviava sul sanitario, ovviamente interrompendo il riscaldamento. con ACS in funzione, la caldaia partiva in questa modalità, magari fermandosi dopo pochi istanti perchè sentiva che la temperatura di uscita era sufficientemente calda; ma il problema rimaneva perchè oltre a interrompere il riscaldamento, in pochi mesi aveva già fatto non so quante migliaia di accensioni/spegnimenti.Se questa è intelligente (come quella che ti ho indicato, ma ce ne sono tante altre: assicurati di avere un CAT professionale) legge la temperatura in ingresso con una sonda
L'unica soluzione è stato montare in uscita il solar kit caleffi con le due valvole 3 vie (deviatrice + termostatico).
forse sono andato off topic, scusate, era solo per condividere l'esperienza
Re: Problema produzione acs con caldaia a condensazione + accumulo
Interessante esperienza.L'unica soluzione è stato montare in uscita il solar kit caleffi ...
Re: Problema produzione acs con caldaia a condensazione + accumulo
Ti assicuro che la caldaia in questione monta anche uno scambiatore secondario a piastre. E' un parallelepipedo (perdonate se non sono sufficientemente tecnico nelle descrizioni ma sono completamente a digiuno della materia) di circa 20 cm x 10 cm x 8 cm (vado a memoria, eh).Esa ha scritto: mer dic 29, 2021 09:48 Ho dato un'occhiata rapida allo schema Baxi.
La caldaia non ha uno scambiatore istantaneo dedicato alla produzione di ACS da erogare istantaneamente.
Ha solo uno scambiatore immerso nel serbatoio dell'ACS nel quale è inserito anche lo scambiatore del solare.
Lo scambiatore è a serpentino e non a piastre, quindi quasi certamente sottodimensionato per il servizio richiesto (ma sufficiente per un uso moderato dell'ACS).
E' la prima cosa che il CAT mi ha cambiato durante il primo intervento. Inoltre, da qualche parte sul libretto istruzioni, c'è scritto che la caldaia è dotata anche della funzione di produzione istantanea acs, cosa peraltro confermata dal tecnico del servizio assistenza Baxi che affermava che la caldaia non sta lavorando nel modo corretto in quanto è assolutamente in grado di garantire grandi quantità di acqua calda in modo continuativo.
Io penso, come diceva Tom, che ci sia qualche parametro non configurato nel modo corretto (devo appurare a quanti gradi è impostato il carico dell'acqua nel bollitore). Oppure qualche sonda che lavora male e non fà il suo dovere.
Cmq i vostri pareri sono stati importanti: mi hanno dato interessanti spunti da eviscerare con quelli del servizio assistenza.
La cosa che più mi deprime è non riuscire ad ottenere un intervento diretto da Baxi stessa (a pagamento si intende): loro mi dicono che devo avvalermi del CAT di zona, cosa che ho fatto più volte e del quale NON sono soddisfatto. Possibile che non si degnino di uscire se un problema risulta "apparentemente irrisolvibile" utilizzando i canali standard?
Re: Problema produzione acs con caldaia a condensazione + accumulo
Allora, perché ci dovrebbero essere problemi?la caldaia è dotata anche della funzione di produzione istantanea acs
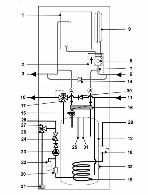
Lo scambiatore che vedi non mi risulta però essere per l'ACS: nella Baxi 32 Power 220 Solar serve a scambiare con il circuito riscaldamento. L'acqua sanitaria entra in 11 ed esce in 10: Passa nel serbatoio, non nella caldaia.
Se vuoi ACS senza problemi, devi cambiare sistema e installare una caldaia istantanea. Con quello schema non ce la farai mai.
Ma questo è solo un parere: forse Baxi ha altre soluzioni.
- Allegati
-
- Baxi.jpg (46.13 KiB) Visto 7135 volte
Re: Problema produzione acs con caldaia a condensazione + accumulo
Non ho mai visto caldaie di questo tipo, ma se lo scambiatore saldobrasato è ben dimensionato, può scambiare anche tutta la potenza della caldaia, a differenza di un serpentino. Non è come avere una rapida, ma comunque dovrebbe avere una buona resa in continuo di sanitaria.
Se lo scambiatore è sottodimensionato quando parte la pompa questa miscela il serbatoio e con una mandata a temperatrua insufficiente il risultato è che si abbassa la mandata all'utenza anche quando ci sarebbe ancora acqua ad alta temperatura a disposizione.
Onestamente mi sembra strano visto il costo irrisorio dei saldobrasati che abbiano tenuto a mano qualche piastra. Dovrebbe avere una resa di almeno 24 kW con le temperature nominali.
Se lo scambiatore è sottodimensionato quando parte la pompa questa miscela il serbatoio e con una mandata a temperatrua insufficiente il risultato è che si abbassa la mandata all'utenza anche quando ci sarebbe ancora acqua ad alta temperatura a disposizione.
Onestamente mi sembra strano visto il costo irrisorio dei saldobrasati che abbiano tenuto a mano qualche piastra. Dovrebbe avere una resa di almeno 24 kW con le temperature nominali.
redigere redigere redigere
Re: Problema produzione acs con caldaia a condensazione + accumulo
Spero di sì, altrimenti, se non ce la fa, ci sono problemi di regolazione.Dovrebbe avere una resa di almeno 24 kW con le temperature nominali.
Naturalmente dipende anche da quanta acqua calda sanitaria si vuole veramente: "un oceano".
Re: Problema produzione acs con caldaia a condensazione + accumulo
Non vedo valvole deviatrici per Risc e ACS. Quindi, la potenza è ripartita costantemente sui due servizi?
Con che criterio?
Con che criterio?
Re: Problema produzione acs con caldaia a condensazione + accumulo
Come hai risolto?