Schema funzionale unità esterna VRF
Moderatore: Edilclima
Schema funzionale unità esterna VRF
Ciao,
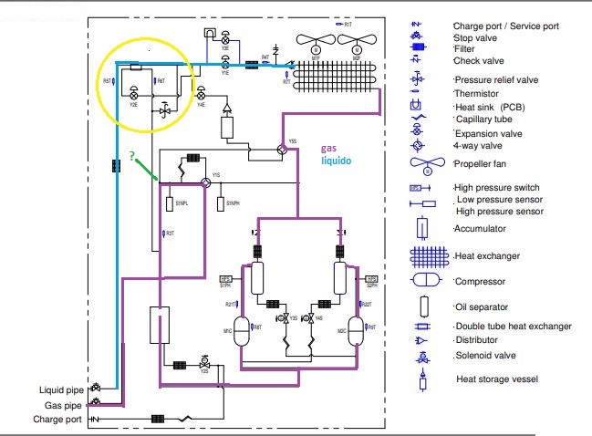
stavo vedendo lo schema funzionale di una unità esterna VRF di una nota marca cche ho messo in allegato ma ho alcuni dubbi nel senso che non riesco a capire una parte di schema . In viola ho messo quella che mi sembra la parte gas immaginando un funzionamento in raffrescamento, in azzurro la parte liquido. Il dubbio è dove ho messo il cerchio giallo. In teoria quel rettangolino attraversato da 2 tubi dovrebbe essere lo scambiatore di sottoraffreddamento? non vi si dovrebbero scambiare il calore il liquido dopo il condensatore e il gas dopo l'evaporatore? non capisco quale sia l'effettivo percorso di gas e liquido in quella zona..il gas ci arriva deviando (dopo la prima valvola 4 vie) sia verso il compressore che verso la seconda valvola 4 vie? mi sembra che ci sia qualcosa che non torna..inoltre il componente che il legenda si chiama PCB ( preceduto anche lui da una valvola 4 vie) a cosa serve?
stavo vedendo lo schema funzionale di una unità esterna VRF di una nota marca cche ho messo in allegato ma ho alcuni dubbi nel senso che non riesco a capire una parte di schema . In viola ho messo quella che mi sembra la parte gas immaginando un funzionamento in raffrescamento, in azzurro la parte liquido. Il dubbio è dove ho messo il cerchio giallo. In teoria quel rettangolino attraversato da 2 tubi dovrebbe essere lo scambiatore di sottoraffreddamento? non vi si dovrebbero scambiare il calore il liquido dopo il condensatore e il gas dopo l'evaporatore? non capisco quale sia l'effettivo percorso di gas e liquido in quella zona..il gas ci arriva deviando (dopo la prima valvola 4 vie) sia verso il compressore che verso la seconda valvola 4 vie? mi sembra che ci sia qualcosa che non torna..inoltre il componente che il legenda si chiama PCB ( preceduto anche lui da una valvola 4 vie) a cosa serve?
- Allegati
-
- Cattura.JPG (90.16 KiB) Visto 2181 volte
- NoNickName
- Messaggi: 10380
- Iscritto il: gio giu 17, 2010 12:17
Re: Schema funzionale unità esterna VRF
PCB dovrebbe essere un sottoraffreddatore (subcooler).
La parte cerchiata in giallo dovrebbe essere il circuito dell'iniezione di vapore sull'aspirazione, per evitare surriscaldamenti del motore del compressore
La parte cerchiata in giallo dovrebbe essere il circuito dell'iniezione di vapore sull'aspirazione, per evitare surriscaldamenti del motore del compressore
Il diritto pubblico fondato sulla uguaglianza [...]non riconosce la disuguaglianza di valore, di merito, di esperienza, cioè la fatica individuale: culminerà nel trionfo della feccia e dell'appiattimento.”
Henri Fréderic Amiel, 12 giugno 1871
Henri Fréderic Amiel, 12 giugno 1871
Re: Schema funzionale unità esterna VRF
Ma nel sottoraffreddatore il calore ceduto dal lato liquido non dovrebbe essere usato per surriscaldare il gas? in un altro schema trovato ora della stessa macchina comunque il rettangolo che compare nella zona che ho cerchiato in giallo è definito " scambiatore di calore di raffreddamento secondario"..
- NoNickName
- Messaggi: 10380
- Iscritto il: gio giu 17, 2010 12:17
Re: Schema funzionale unità esterna VRF
No, perchè il liquido viene fatto espandere attraverso la valvola di laminazione (termostatica) e quindi si raffredda.shinobi9 ha scritto: ven ott 09, 2020 12:44 Ma nel sottoraffreddatore il calore ceduto dal lato liquido non dovrebbe essere usato per surriscaldare il gas?
Il diritto pubblico fondato sulla uguaglianza [...]non riconosce la disuguaglianza di valore, di merito, di esperienza, cioè la fatica individuale: culminerà nel trionfo della feccia e dell'appiattimento.”
Henri Fréderic Amiel, 12 giugno 1871
Henri Fréderic Amiel, 12 giugno 1871
Re: Schema funzionale unità esterna VRF
Pensavo che fosse una analoga a quella che riporto in questo schema:
- Allegati
-
- Cattura2.JPG (22.13 KiB) Visto 2156 volte
- NoNickName
- Messaggi: 10380
- Iscritto il: gio giu 17, 2010 12:17
Re: Schema funzionale unità esterna VRF
Beh, il principio è lo stesso... però mi correggo non è un circuito dell'iniezione di vapore sull'aspirazione, ma un sottoraffreddatore di liquido anch'esso
Il diritto pubblico fondato sulla uguaglianza [...]non riconosce la disuguaglianza di valore, di merito, di esperienza, cioè la fatica individuale: culminerà nel trionfo della feccia e dell'appiattimento.”
Henri Fréderic Amiel, 12 giugno 1871
Henri Fréderic Amiel, 12 giugno 1871
Re: Schema funzionale unità esterna VRF
Ok grazie.. Ma se è tipo quello che ho allegato non dovrebbero essere il gas ed il liquido a scambiarsi il calore? Dal disegno non sembrerebbe..
- NoNickName
- Messaggi: 10380
- Iscritto il: gio giu 17, 2010 12:17
Re: Schema funzionale unità esterna VRF
Il liquido caldo entra nello scambiatore, ne esce sottoraffreddato, passa dalla termostatica e dall'evaporatore e ne esce evaporato e surriscaldato di qualche grado rispetto alla temperatura corrispondente alla pressione di vapore saturo, ma comunque di alcune decine di gradi più freddo del liquido, da cui sottrae calore dal lato opposto dello scambiatore.shinobi9 ha scritto: ven ott 09, 2020 20:13 Ok grazie.. Ma se è tipo quello che ho allegato non dovrebbero essere il gas ed il liquido a scambiarsi il calore? Dal disegno non sembrerebbe..
Allegata immagine con le temperature (ipotizzando un gas HFC).
- Allegati
-
- Immagine.png (33.47 KiB) Visto 2122 volte
Il diritto pubblico fondato sulla uguaglianza [...]non riconosce la disuguaglianza di valore, di merito, di esperienza, cioè la fatica individuale: culminerà nel trionfo della feccia e dell'appiattimento.”
Henri Fréderic Amiel, 12 giugno 1871
Henri Fréderic Amiel, 12 giugno 1871
Re: Schema funzionale unità esterna VRF
Grazie , capito quello che intendi..però il mio dubbio è sul "percorso" del gas dopo l'evatoratore (unità interna non riportata) a partire dal punto in verde che ho indicato con "?". cioè da li in poi il gas "gira a sinistra" verso l'accumulatore ed il compressore oppure va a destra verso l'altra valvola 4 vie? perchè se così fosse non capisco cosa succede dopo ( zona gialla) in cui c'è quell'incrocio di tubi..perchè sembra quasi che vada a finire sulla linea del liquido e non mi torna molto..
- Allegati
-
- Cattura.JPG (89.84 KiB) Visto 2099 volte